Ten artykuł pomoże w doborze odpowiednich diod do prostownika 12V, wyjaśniając kluczowe parametry i różnice między pojedynczymi diodami a mostkami prostowniczymi, abyś mógł skutecznie naprawić lub zbudować własne urządzenie, zapewniając bezpieczne i efektywne ładowanie akumulatora.
Wybór odpowiednich diod do prostownika 12V klucz do efektywnego ładowania akumulatora
- Prąd przewodzenia (I_F(AV)) diody powinien być o 50-100% wyższy niż maksymalny prąd ładowania prostownika (np. dla 15A prostownika wybierz diody 25A).
- Napięcie wsteczne (V_RRM) diody powinno wynosić minimum 50V, a zalecane jest 100V lub więcej, aby zapewnić margines bezpieczeństwa dla napięcia z transformatora.
- Mostki prostownicze (np. seria KBPC) są wygodniejsze i popularniejsze ze względu na prostotę montażu, natomiast pojedyncze diody dają większą elastyczność w kwestii chłodzenia.
- Chłodzenie za pomocą radiatora i pasty termoprzewodzącej jest niezbędne dla prostowników o prądzie powyżej kilku amperów, aby zapobiec przegrzewaniu.
- Diagnostyka uszkodzonych diod odbywa się multimetrem ustawionym na test diody w kierunku przewodzenia powinien być spadek napięcia, w zaporowym przerwa.
- Popularne modele to mostki KBPC2510, KBPC3510 oraz pojedyncze diody 25HF100.
Znaczenie właściwego doboru diod do prostownika 12V
Dioda w prostowniku pełni fundamentalną rolę to ona odpowiada za zamianę prądu zmiennego (AC) dostarczanego przez transformator na prąd stały (DC), który jest niezbędny do prawidłowego ładowania akumulatora. Bez diod, a właściwie bez mostka prostowniczego zbudowanego z kilku diod, akumulator nie mógłby być efektywnie ładowany, a w niektórych przypadkach mogłoby dojść nawet do jego uszkodzenia.
Skutki złego doboru: od słabego ładowania po uszkodzenie akumulatora
Z mojego doświadczenia wiem, że ignorowanie parametrów diod to prosta droga do problemów. Użycie niewłaściwych diod może prowadzić do szeregu negatywnych konsekwencji. Najczęściej spotykanym problemem jest przegrzewanie się diod, co w krótkim czasie prowadzi do ich uszkodzenia. To z kolei skutkuje niestabilnym lub niewystarczającym ładowaniem akumulatora, co jest szczególnie frustrujące, gdy zależy nam na szybkim naładowaniu. W skrajnych przypadkach, uszkodzone diody mogą doprowadzić do uszkodzenia samego akumulatora, na przykład poprzez dostarczanie mu prądu o niewłaściwej charakterystyce lub, co gorsza, przez zwarcie, które może doprowadzić do jego całkowitego zniszczenia. Dlatego tak ważne jest, aby poświęcić chwilę na właściwy dobór komponentów.

Diody pojedyncze czy mostek Graetza co wybrać do prostownika?
Kiedy stajemy przed wyborem diod do prostownika, często pojawia się pytanie: użyć pojedynczych diod czy gotowego mostka Graetza? Mostek prostowniczy zbudowany z czterech pojedynczych diod to klasyczne rozwiązanie. Daje ono sporą elastyczność w montażu i chłodzeniu każdą diodę możemy umieścić na osobnym radiatorze, co jest korzystne w przypadku bardzo mocnych prostowników, gdzie rozpraszanie ciepła jest kluczowe. To rozwiązanie często spotyka się w starszych, solidnych konstrukcjach, gdzie przestrzeń nie była tak ograniczona, a dostępność pojedynczych, mocnych diod była większa.
Nowoczesna wygoda: zintegrowany mostek prostowniczy dlaczego jest tak popularny?
Zintegrowany mostek prostowniczy, taki jak te z popularnej serii KBPC, to dziś standard w większości prostowników samochodowych. Dlaczego? Przede wszystkim ze względu na prostotę montażu. Zamiast czterech osobnych elementów, mamy jeden, kompaktowy moduł. To przekłada się na mniejszy rozmiar urządzenia i znacznie łatwiejsze podłączenie. Większość tych mostków posiada również centralny otwór do mocowania na radiatorze, co ułatwia odprowadzanie ciepła. Ta wygoda i efektywność sprawiły, że zintegrowane mostki stały się najpopularniejszym i najbardziej praktycznym rozwiązaniem dla większości zastosowań.
Podsumowanie: Które rozwiązanie wybrać do naprawy, a które do budowy nowego prostownika?
Decyzja zależy od Twojego projektu. Jeśli naprawiasz istniejący prostownik i masz miejsce na pojedyncze diody, a może nawet oryginalnie takie były zastosowane, to możesz pozostać przy tym rozwiązaniu. Daje to większą elastyczność w kwestii chłodzenia, co może być ważne w starszych, mocnych konstrukcjach. Natomiast jeśli budujesz prostownik od podstaw lub szukasz najprostszego i najbardziej kompaktowego rozwiązania do naprawy, zdecydowanie polecam zintegrowany mostek prostowniczy. Jest łatwiejszy w montażu, zajmuje mniej miejsca i jest powszechnie dostępny.
Jak dobrać diody do prostownika kluczowe parametry i ich znaczenie
Dobór diod to nie tylko kwestia "jakichś" diod, ale konkretnych parametrów, które muszą sprostać wymaganiom prostownika. Najważniejszym z nich jest prąd przewodzenia (I_F(AV)). Ten parametr określa, jaki maksymalny średni prąd dioda może bezpiecznie przewodzić w kierunku przewodzenia. Zawsze, ale to zawsze, należy stosować diody z zapasem bezpieczeństwa. Dla prostownika 12V, który ma dostarczać na przykład 15A prądu ładowania, diody powinny mieć prąd przewodzenia o 50-100% wyższy, czyli w tym przypadku bezpiecznym wyborem będą diody o prądzie 25A lub nawet 35A. To zapobiegnie ich przegrzewaniu i przedłuży żywotność całego urządzenia.
Napięcie wsteczne (V): margines bezpieczeństwa, którego nie można ignorować
Kolejnym krytycznym parametrem jest napięcie wsteczne (V_RRM). Określa ono maksymalne napięcie, jakie dioda jest w stanie zablokować w kierunku zaporowym, bez ryzyka przebicia. Pamiętaj, że napięcie zmienne z transformatora 12V, nawet bez obciążenia, może osiągnąć szczytową wartość około 17V (12V * √2). Do tego dochodzą wahania napięcia w sieci energetycznej, które mogą chwilowo podnieść tę wartość. Dlatego, choć minimum to 50V, moją rekomendacją i dobrą praktyką jest stosowanie diod na 100V lub więcej. Taki margines bezpieczeństwa zapewnia, że diody nie ulegną przebiciu nawet w niekorzystnych warunkach, co jest kluczowe dla niezawodności prostownika.
Jak dobrać parametry diod do mocy Twojego transformatora? Praktyczny wzór i przykłady
Aby dobrać diody do prostownika, musimy wziąć pod uwagę zarówno prąd, jak i napięcie. Oto praktyczne kroki, które sam stosuję:
- Określ maksymalny prąd ładowania prostownika: Sprawdź, jaki maksymalny prąd ma dostarczać Twój prostownik (np. 10A, 15A, 20A). Ta informacja często jest podana na transformatorze lub w dokumentacji prostownika.
-
Oblicz wymagany prąd przewodzenia diod: Pomnóż maksymalny prąd ładowania przez współczynnik bezpieczeństwa (1.5 do 2).
- Przykład: Dla prostownika 15A, potrzebujesz diod o prądzie przewodzenia co najmniej 15A * 1.5 = 22.5A. Lepiej wybrać diody 25A lub 35A, aby mieć pewność.
-
Określ wymagane napięcie wsteczne diod: Napięcie z transformatora 12V AC ma wartość szczytową około 17V. Dolicz do tego margines bezpieczeństwa na wahania sieci.
- Zalecam minimum 50V, ale 100V lub więcej to bezpieczny standard, który zapewni długą i bezawaryjną pracę.
- Wybierz typ diody/mostka: Zdecyduj, czy wolisz pojedyncze diody, czy zintegrowany mostek prostowniczy, bazując na dostępnym miejscu i łatwości montażu.
Dla prostownika 15A, idealnym wyborem będzie mostek prostowniczy typu KBPC2510 (25A, 1000V) lub KBPC3510 (35A, 1000V). Zapewni to duży zapas zarówno prądowy, jak i napięciowy.
Rozpoznawanie i diagnostyka uszkodzonych diod w prostowniku
Uszkodzone diody to jedna z najczęstszych przyczyn awarii prostowników. Z mojego doświadczenia wiem, że objawy są zazwyczaj dość charakterystyczne:
- Znaczne obniżenie napięcia ładowania lub jego całkowity brak: To najbardziej oczywisty symptom. Prostownik podłączony do akumulatora nie ładuje go lub ładuje bardzo słabo.
- "Buczenie" transformatora pod obciążeniem: Jeśli transformator zaczyna głośno buczeć, gdy podłączamy prostownik do akumulatora, może to wskazywać na uszkodzenie diod i przeciążenie transformatora.
- Bardzo niski prąd ładowania: Nawet jeśli napięcie wydaje się poprawne, prąd ładowania może być znacznie niższy niż oczekiwany, co oznacza, że akumulator ładuje się bardzo wolno.
- Silne nagrzewanie się prostownika: Uszkodzona dioda (np. zwarta) może powodować nadmierne nagrzewanie się całego urządzenia, nawet bez znacznego obciążenia.
Warto pamiętać, że uszkodzenie jednej diody w mostku prostowniczym powoduje, że prostownik zaczyna pracować jako jednopołówkowy. Oznacza to, że wykorzystuje tylko jedną połówkę sinusoidy prądu zmiennego, drastycznie obniżając swoją wydajność i efektywność ładowania.
Diagnostyka krok po kroku: jak sprawdzić diody za pomocą prostego multimetru?
Sprawdzenie diod multimetrem to podstawowa umiejętność każdego majsterkowicza. Oto jak to zrobić:
- Odłącz prostownik od zasilania i akumulatora: Zawsze zaczynaj od bezpieczeństwa! Upewnij się, że prostownik jest całkowicie odłączony od sieci i akumulatora.
- Ustaw multimetr na test diody: Większość współczesnych multimetrów posiada specjalną funkcję do testowania diod, często oznaczoną symbolem diody.
-
Sprawdzenie pojedynczej diody:
- Przyłóż czerwoną sondę multimetru do anody diody (zazwyczaj dłuższa nóżka lub strona bez paska), a czarną do katody (strona z paskiem). Miernik powinien wskazać spadek napięcia (zazwyczaj w zakresie 400-800mV). To jest kierunek przewodzenia.
- Odwróć sondy (czerwona do katody, czarna do anody). Miernik powinien wskazać "OL" (Open Loop) lub "1", co oznacza przerwę w obwodzie. To jest kierunek zaporowy.
-
Sprawdzenie mostka prostowniczego:
- Mostek posiada cztery wyprowadzenia: dwa do prądu zmiennego (AC), jedno dodatnie (+) i jedno ujemne (-).
- Przykładaj sondy multimetru między wyprowadzeniem AC a (+) powinieneś zobaczyć spadek napięcia w jednym kierunku i przerwę w drugim.
- Powtórz to samo dla drugiego wyprowadzenia AC i (+).
- Następnie sprawdź między wyprowadzeniami AC a (-) również spadek napięcia w jednym kierunku i przerwę w drugim.
- Jeśli w którymkolwiek z tych testów miernik wskaże zwarcie (0mV) w obu kierunkach lub przerwę w obu kierunkach, mostek jest uszkodzony.
Czy zawsze trzeba wymieniać wszystkie diody w mostku?
W przypadku zintegrowanego mostka prostowniczego, jeśli uszkodzona jest choćby jedna dioda, zawsze należy wymienić cały mostek. Jest to element nierozbieralny i próby naprawy pojedynczych diod wewnątrz obudowy są niemożliwe i nieopłacalne. Koszt nowego mostka jest zazwyczaj niski, a wymiana całości gwarantuje przywrócenie pełnej sprawności prostownika.

Praktyczny montaż diod klucz do długiej żywotności
Nawet najlepiej dobrane diody nie będą działać długo i stabilnie, jeśli nie zapewnimy im odpowiedniego chłodzenia. Dla prostowników o prądzie powyżej kilku amperów, stosowanie radiatora jest absolutnie niezbędne. Diody, przewodząc prąd, generują ciepło, a jego nadmiar jest główną przyczyną ich awarii. Radiator skutecznie odprowadza to ciepło do otoczenia, chroniąc diody przed przegrzaniem i znacząco przedłużając ich żywotność. Nie oszczędzaj na radiatorze to inwestycja w niezawodność.
Rola pasty termoprzewodzącej: mały detal, wielka różnica
Wielu amatorów pomija ten krok, ale z mojego doświadczenia wiem, że pasta termoprzewodząca to mały detal, który robi wielką różnicę. Pomiędzy powierzchnią diody (lub mostka) a radiatorem zawsze istnieją mikroszczeliny i nierówności. Powietrze w tych szczelinach jest słabym przewodnikiem ciepła. Pasta termoprzewodząca, rozprowadzona cienką warstwą, wypełnia te luki, poprawiając przewodnictwo cieplne i zapewniając znacznie efektywniejsze przekazywanie ciepła z diody na radiator. Dzięki temu diody pracują w niższej temperaturze, co bezpośrednio przekłada się na ich stabilność i długowieczność.
Prawidłowe podłączenie: jak uniknąć pomyłki przy lutowaniu lub przykręcaniu przewodów?
Prawidłowe podłączenie diod lub mostka prostowniczego jest kluczowe, aby uniknąć uszkodzenia komponentów lub całego prostownika. Zawsze kieruj się schematem i oznaczeniami! Mostki prostownicze mają zazwyczaj wyraźnie oznaczone wyprowadzenia: AC (dla prądu zmiennego z transformatora), + (dla wyjścia dodatniego prądu stałego) i - (dla wyjścia ujemnego prądu stałego). W przypadku pojedynczych diod pamiętaj o ich polaryzacji anoda i katoda. Zazwyczaj katoda jest oznaczona paskiem. Błędy w podłączeniu mogą skutkować natychmiastowym uszkodzeniem diod lub transformatora, dlatego zawsze dwukrotnie sprawdź połączenia przed włączeniem zasilania.
Polecane diody i mostki prostownicze do prostowników 12V
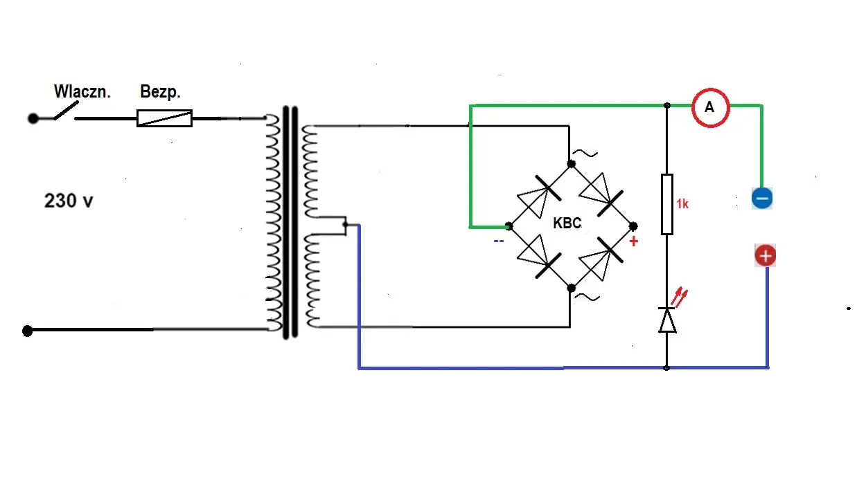
Na polskim rynku dostępnych jest wiele typów diod i mostków, ale z mojego doświadczenia mogę polecić kilka sprawdzonych rozwiązań, które są zarówno efektywne, jak i łatwo dostępne. Do najpopularniejszych i najbardziej niezawodnych mostków prostowniczych należą te z serii KBPC. Modele takie jak KBPC2510 (25A, 1000V), KBPC3510 (35A, 1000V) czy nawet KBPC5010 (50A, 1000V) są doskonałym wyborem. Pierwsze dwie cyfry w oznaczeniu to maksymalny prąd w amperach, a dwie ostatnie to napięcie wsteczne pomnożone przez 100V. Ich główne zalety to łatwa dostępność w sklepach elektronicznych, przystępna cena i prostota montażu dzięki zintegrowanej konstrukcji i otworowi do mocowania na radiatorze.
Mocne diody pojedyncze: kiedy warto sięgnąć po modele skręcane (np. 25A, 50A)?
Chociaż zintegrowane mostki są wygodne, w niektórych sytuacjach warto sięgnąć po mocne diody pojedyncze. Przykładem takiej diody jest 25HF100 (25A, 1000V). Ich zastosowanie jest uzasadnione w bardzo mocnych prostownikach, gdzie wymagana jest duża elastyczność w chłodzeniu każdą diodę można zamontować na osobnym, dedykowanym radiatorze. Są one również często używane w starszych konstrukcjach, gdzie wymiana na pojedyncze elementy jest bardziej zgodna z oryginalnym projektem. Warto wspomnieć, że historycznie w wielu polskich prostownikach stosowano diody typu BYP, które również były pojedynczymi, skręcanymi elementami.
Przeczytaj również: Prostownik AGM: Co to znaczy i dlaczego jest kluczowy dla akumulatora?
Gdzie szukać i na co uważać przy zakupie komponentów w Polsce?
Dostępność diod i mostków prostowniczych w Polsce jest bardzo dobra. Możesz je znaleźć w większości sklepów elektronicznych, zarówno stacjonarnych, jak i internetowych. Popularne platformy aukcyjne również oferują szeroki wybór. Przy zakupie zawsze zwracaj uwagę na reputację sprzedawcy. Niestety, na rynku zdarzają się podróbki lub komponenty o zaniżonych parametrach, które mogą nie spełniać deklarowanych wartości prądu czy napięcia. Warto czytać opinie innych kupujących i, jeśli to możliwe, wybierać produkty renomowanych producentów. Certyfikaty zgodności, choć rzadko dostępne dla pojedynczych diod, mogą być dodatkowym atutem. Pamiętaj, że oszczędność kilku złotych na diodach może skutkować znacznie większymi kosztami w przyszłości, gdy prostownik ulegnie awarii.
