Witajcie w przewodniku, który krok po kroku przeprowadzi Was przez proces budowy własnego prostownika do akumulatora. Jeśli szukacie praktycznego, szczegółowego poradnika DIY, który pozwoli Wam stworzyć solidne i funkcjonalne urządzenie od podstaw, to dobrze trafiliście. Razem zbudujemy prostownik, który posłuży Wam przez lata.
Zbuduj własny prostownik do akumulatora kompletny poradnik DIY dla każdego
- Podstawowe komponenty: Do budowy prostownika potrzebujesz transformatora sieciowego (np. 14-16V dla 12V), mostka prostowniczego Graetza oraz bezpieczników.
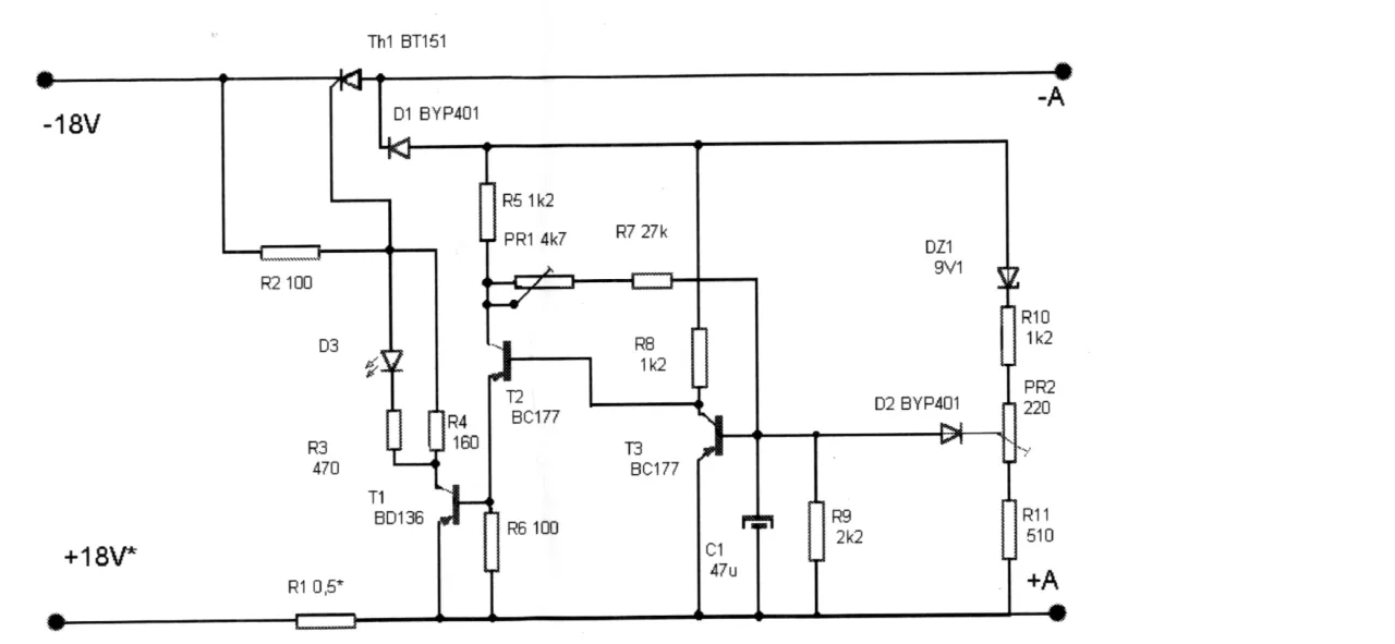
- Wybór schematu: Możesz wybrać prosty schemat bez regulacji (transformator + mostek) lub bardziej zaawansowany z regulacją prądu, np. na tyrystorze (BT151/BT152).
- Bezpieczeństwo przede wszystkim: Kluczowe jest solidne odizolowanie strony sieciowej 230V, użycie uziemionej, metalowej obudowy oraz zastosowanie bezpieczników topikowych.
- Dobór transformatora: Prąd ładowania powinien wynosić około 1/10 pojemności akumulatora (np. 6A dla akumulatora 60Ah).
- Testowanie po montażu: Sprawdź napięcie wyjściowe bez obciążenia, a następnie przetestuj prostownik pod obciążeniem, np. żarówką samochodową.
Zanim zaczniesz: Budowa własnego prostownika to świetny pomysł
Decyzja o samodzielnej budowie prostownika to moim zdaniem strzał w dziesiątkę. Przede wszystkim zyskujecie pełną kontrolę nad jakością użytych komponentów. Tanie prostowniki z marketu często bazują na podzespołach niskiej jakości, co przekłada się na ich krótką żywotność i mniejszą skuteczność. Budując samemu, możecie wybrać sprawdzone transformatory, solidne mostki prostownicze i odpowiednie zabezpieczenia, mając pewność, że urządzenie będzie działać niezawodnie. Dodatkowo, jest to fantastyczna okazja do poszerzenia swojej wiedzy z zakresu elektroniki i zdobycia praktycznych umiejętności. Satysfakcja z działającego, własnoręcznie zbudowanego urządzenia jest nie do przecenienia.
Jednak zanim przystąpicie do pracy, muszę podkreślić, że bezpieczeństwo jest absolutnym priorytetem. Pracujemy z prądem sieciowym 230V, który może być śmiertelnie niebezpieczny. Konieczne jest solidne odizolowanie wszystkich obwodów sieciowych, aby uniknąć przypadkowego kontaktu. Zawsze stosujcie metalową obudowę i pamiętajcie o jej uziemieniu to podstawa ochrony przed porażeniem w przypadku awarii izolacji. Niezbędne są również bezpieczniki topikowe, zarówno po stronie pierwotnej (230V), jak i wtórnej transformatora, które zabezpieczą układ przed przeciążeniem i zwarciem. Pamiętajcie też, że podczas ładowania akumulatorów wydziela się wodór gaz wybuchowy. Zadbajcie o dobrą wentylację miejsca pracy, aby uniknąć jego nagromadzenia.
Do realizacji projektu przydadzą się następujące narzędzia:
- Lutownica i cyna
- Multimetr (miernik uniwersalny)
- Ściągacz izolacji
- Wiertarka (do przygotowania obudowy)
- Zestaw wkrętaków
- Kombinerki i szczypce boczne
- Nóż monterski
- Ochronne okulary i rękawice
Anatomia prostownika: Kluczowe elementy i ich rola
Zrozumienie funkcji poszczególnych komponentów to podstawa. Każdy element ma swoje zadanie, a jego prawidłowy dobór jest kluczowy dla bezpieczeństwa i efektywności prostownika.
Transformator: To prawdziwe serce układu prostownika. Jego głównym zadaniem jest obniżenie wysokiego napięcia sieciowego 230V do bezpiecznego poziomu, odpowiedniego do ładowania akumulatora. Dla akumulatorów 12V potrzebujemy transformatora z napięciem wtórnym w zakresie 14-16V. Dlaczego? Po wyprostowaniu napięcie stałe będzie nieco wyższe. Moc transformatora powinna być dobrana do pojemności akumulatora, zgodnie z zasadą, że prąd ładowania powinien wynosić około 1/10 pojemności akumulatora (np. dla akumulatora 60Ah potrzebujemy prądu około 6A). Transformatory toroidalne są często wybierane ze względu na ich mniejsze rozmiary, niższą wagę i wyższą sprawność w porównaniu do tradycyjnych transformatorów rdzeniowych.
Mostek prostowniczy: Po transformatorze, napięcie nadal jest zmienne. Tutaj wkracza mostek prostowniczy, najczęściej typu Graetza. Jego rola polega na przekształceniu prądu zmiennego (AC) na prąd stały (DC), który jest niezbędny do ładowania akumulatora. Mostek składa się z czterech diod połączonych w specyficzny sposób. Ważne jest, aby mostek był dobrany pod kątem maksymalnego prądu i napięcia, które będzie przez niego przepływać.
Regulacja prądu i napięcia: Brak regulacji to ryzyko przeładowania akumulatora, co skraca jego żywotność. Regulacja prądu ładowania jest niezwykle ważna, aby dostosować go do pojemności akumulatora i zapewnić optymalny proces ładowania. Proste układy regulacji, często oparte na tyrystorze (np. BT151 lub BT152), pozwalają na płynną lub skokową kontrolę prądu. Bardziej zaawansowane konstrukcje mogą zawierać automatyczne wyłączanie po osiągnięciu odpowiedniego napięcia na akumulatorze, co jest bardzo korzystne dla jego kondycji.
Wskaźniki i zabezpieczenia: Aby mieć kontrolę nad procesem ładowania, warto zainstalować amperomierz, który pokaże aktualny prąd płynący do akumulatora, oraz woltomierz, który wskaże napięcie na jego zaciskach. Te elementy pozwalają monitorować proces i upewnić się, że wszystko przebiega prawidłowo. Niezwykle ważne są także bezpieczniki topikowe jeden po stronie pierwotnej transformatora (230V) i drugi po stronie wtórnej (niskie napięcie). Chronią one prostownik i sieć elektryczną przed uszkodzeniem w przypadku zwarcia lub przeciążenia.

Wybieramy schemat: Od prostoty do pełnej kontroli
W zależności od Waszych umiejętności i wymagań, możecie wybrać jeden z dwóch popularnych typów schematów. Każdy z nich ma swoje zalety i wady, ale oba są świetnym punktem wyjścia do budowy własnego prostownika.
Schemat dla początkujących (nieregulowany): Jest to najprostsza i najtańsza opcja, idealna dla tych, którzy dopiero zaczynają swoją przygodę z elektroniką. Jego budowa jest intuicyjna i wymaga minimalnej liczby komponentów. Podstawowe elementy to:
- Transformator sieciowy (np. 14-16V dla 12V)
- Mostek prostowniczy Graetza
- Dwa bezpieczniki topikowe (pierwotny i wtórny)
W takim schemacie napięcie z sieci jest obniżane przez transformator, a następnie prostowane przez mostek. Brak regulacji oznacza, że prąd ładowania będzie zależał od stanu naładowania akumulatora i parametrów transformatora. Musicie być świadomi, że przy braku kontroli nad prądem istnieje ryzyko przeładowania akumulatora, dlatego niezbędna jest stała obserwacja procesu ładowania i ręczne odłączenie prostownika po osiągnięciu odpowiedniego napięcia. To rozwiązanie sprawdza się do sporadycznego doładowywania, ale wymaga Waszej uwagi.
Schemat dla ambitnych (z regulacją prądu na tyrystorze): Jeśli chcecie mieć większą kontrolę nad procesem ładowania i zapewnić akumulatorowi dłuższą żywotność, schemat z regulacją prądu będzie lepszym wyborem. Najczęściej wykorzystuje się w nim tyrystor (np. BT151 lub BT152), który pozwala na płynną kontrolę prądu ładowania. Typowe komponenty dla takiego schematu to:
- Transformator sieciowy
- Mostek prostowniczy Graetza
- Tyrystor (np. BT151/BT152)
- Potencjometr i rezystory (do sterowania tyrystorem)
- Kondensatory filtrujące
- Amperomierz i woltomierz
- Bezpieczniki topikowe
Zasada działania regulacji tyrystorowej polega na opóźnianiu załączania tyrystora w każdej połówce sinusoidy napięcia zmiennego. Poprzez zmianę kąta załączenia tyrystora (sterowaną potencjometrem), możemy kontrolować średnią wartość prądu płynącego do akumulatora. Dzięki temu możemy precyzyjnie ustawić prąd ładowania, np. na wspomniane 1/10 pojemności akumulatora. Bardziej zaawansowane wersje mogą zawierać układy automatycznego wyłączania po naładowaniu akumulatora, często realizowane na komparatorach napięcia, takich jak popularny LM358, co dodatkowo zwiększa bezpieczeństwo i komfort użytkowania.
Montaż krok po kroku: Od teorii do działającego urządzenia
Teraz przejdziemy do praktyki. Pamiętajcie o ostrożności i dokładności na każdym etapie. To klucz do sukcesu i bezpieczeństwa.
- Przygotowanie obudowy: Wybierzcie solidną, najlepiej metalową obudowę zapewni ona nie tylko ochronę mechaniczną, ale także ekranowanie elektromagnetyczne i ułatwi uziemienie. Rozplanujcie rozmieszczenie wszystkich elementów: transformatora, mostka, płytek z elektroniką, wskaźników, gniazda sieciowego i wyjściowych. Pamiętajcie o otworach wentylacyjnych, szczególnie dla transformatora i mostka, które mogą się nagrzewać. Otwory na wskaźniki i gniazda wyjściowe powinny być precyzyjnie wywiercone i wykończone.
- Lutowanie: Dobre lutowanie to podstawa trwałości i bezpieczeństwa połączeń. Używajcie odpowiedniej temperatury lutownicy i dobrej jakości cyny. Połączenia powinny być błyszczące, gładkie i bez "zimnych lutów". Przed lutowaniem upewnijcie się, że elementy są czyste. Pamiętajcie o zachowaniu odpowiedniej długości izolacji przewodów nie za krótkiej, aby nie było ryzyka zwarcia, ani za długiej, aby nie utrudniała montażu.
- Montaż strony pierwotnej (230V): To najbardziej krytyczny etap. Przewody zasilające 230V (fazowy, neutralny, ochronny) muszą być solidnie podłączone do gniazda sieciowego, a następnie do transformatora. Koniecznie zainstalujcie bezpiecznik pierwotny (np. 1-2A zwłoczny) w obwodzie fazowym. Wszystkie połączenia po stronie sieciowej muszą być starannie zaizolowane koszulkami termokurczliwymi lub taśmą izolacyjną wysokiej jakości. Upewnijcie się, że metalowa obudowa jest prawidłowo uziemiona, łącząc ją z przewodem ochronnym (żółto-zielonym) z kabla zasilającego.
- Łączenie strony wtórnej: Napięcie z uzwojenia wtórnego transformatora podłączcie do wejścia mostka prostowniczego (oznaczone ~ lub AC). Z wyjścia mostka (oznaczone + i -) poprowadźcie przewody do układu regulacji prądu (jeśli go macie) oraz ewentualnych kondensatorów filtrujących (plus kondensatora do plusa mostka, minus do minusa). Pamiętajcie o prawidłowej polaryzacji kondensatorów elektrolitycznych!
- Instalacja wskaźników i gniazd wyjściowych: Amperomierz podłączcie szeregowo w obwodzie plusowym na wyjściu prostownika (prąd przepływa przez niego). Woltomierz podłączcie równolegle do wyjścia prostownika (bezpośrednio do zacisków + i -). Gniazda wyjściowe (np. solidne "krokodylki" na grubych przewodach) podłączcie do zacisków wyjściowych prostownika, pamiętając o prawidłowej polaryzacji (+ czerwony, - czarny). Upewnijcie się, że wszystkie połączenia są pewne i dobrze zaizolowane.
Pierwsze uruchomienie i testy: Sprawdź, czy wszystko działa poprawnie
Po zakończeniu montażu nie podłączajcie od razu akumulatora! Najpierw należy przeprowadzić serię testów, aby upewnić się, że prostownik działa prawidłowo i bezpiecznie.
- Pomiar napięcia bez obciążenia: Podłączcie prostownik do sieci 230V. Za pomocą multimetru zmierzcie napięcie na wyjściowych zaciskach prostownika (bez podłączonego akumulatora). Spodziewajcie się, że będzie ono nieco wyższe niż nominalne napięcie wtórne transformatora po wyprostowaniu (np. około 18-20V dla transformatora 14V). Jeśli napięcie jest znacząco inne lub w ogóle go nie ma, natychmiast odłączcie prostownik i sprawdźcie połączenia oraz bezpieczniki.
- Test pod obciążeniem: Aby sprawdzić wydajność prądową prostownika, podłączcie do jego wyjścia żarówkę samochodową (np. 12V/21W lub 12V/55W). Żarówka powinna świecić jasno. Zmierzcie prąd płynący przez żarówkę (jeśli macie amperomierz lub funkcję pomiaru prądu w multimetrze). Prąd powinien być zgodny z mocą żarówki (np. dla 21W około 1.75A, dla 55W około 4.6A). Jeśli żarówka świeci słabo lub wcale, a napięcie spada drastycznie, może to wskazywać na problem z transformatorem, mostkiem lub układem regulacji.
- Kalibracja i ustawienie prądu: Jeśli Wasz prostownik posiada regulację prądu i amperomierz, teraz jest czas na jego kalibrację. Podłączcie akumulator do prostownika. Ustawcie potencjometrem (jeśli jest) prąd ładowania na wartość około 1/10 pojemności akumulatora (np. dla akumulatora 60Ah ustawcie 6A). Obserwujcie wskazania amperomierza i woltomierza. Napięcie na akumulatorze powinno stopniowo rosnąć. Jeśli macie prostownik bez regulacji, monitorujcie napięcie i odłączcie prostownik, gdy akumulator osiągnie około 14.4V.
Najczęstsze błędy i problemy: Jak ich unikać i co robić?
Nawet przy największej staranności, w projektach DIY zdarzają się problemy. Oto najczęstsze z nich i sposoby ich rozwiązania:
-
Prostownik "buczy", ale nie ładuje:
- Przyczyny: Luźne połączenia, uszkodzony transformator, uszkodzony mostek prostowniczy, przerwa w obwodzie wtórnym.
- Rozwiązanie: Sprawdźcie wszystkie połączenia, szczególnie te lutowane. Upewnijcie się, że transformator jest prawidłowo podłączony i dostarcza napięcie na uzwojeniu wtórnym (miernikiem AC). Sprawdźcie diody w mostku prostowniczym czy nie są zwarte lub otwarte.
-
Brak napięcia na wyjściu:
- Przyczyny: Przepalony bezpiecznik (pierwotny lub wtórny), przerwa w kablu zasilającym, błędnie podłączony mostek prostowniczy (odwrotna polaryzacja diod), uszkodzony transformator.
- Rozwiązanie: Zacznijcie od sprawdzenia bezpieczników to najczęstsza przyczyna. Następnie sprawdźcie ciągłość przewodów zasilających i uzwojeń transformatora. Upewnijcie się, że mostek jest podłączony prawidłowo, a jego diody są sprawne.
-
Iskrzenie i przegrzewanie się elementów:
- Przyczyny: Zwarcie w obwodzie (np. źle zaizolowane przewody), błędne podłączenie komponentów (np. kondensator elektrolityczny z odwrotną polaryzacją), użycie elementów o zbyt niskich parametrach (np. mostek prostowniczy o zbyt małym prądzie).
- Rozwiązanie: NATYCHMIAST odłączcie urządzenie od sieci! To bardzo niebezpieczna sytuacja. Dokładnie sprawdźcie całe okablowanie pod kątem zwarć. Upewnijcie się, że wszystkie komponenty są podłączone prawidłowo i mają odpowiednie parametry prądowe i napięciowe. Zwróćcie szczególną uwagę na polaryzację diod i kondensatorów.
